Amplificador de 500 W para la banda de 144 MHz.
Introducción
En vista de las numerosas consultas recibidas a través de la red Internet, he decidido exponer la realización de un sencillo amplificador de potencia que permite aumentar las posibilidades de nuestra estación

El diseño, original de DK1OF, fue publicado hace 20 años en la revista VHF Communications, aunque no por ello deja de ser un diseño plenamente actual y válido en nuestros tiempos. La fiabilidad , rendimiento y calidad de un amplificador a válvula superan con creces a uno construido a base de transistores. Una mejor relación calidad precio así como una robustez demostrada ante las desadaptaciones y los malos tratos nos anima a su construcción.
Para realizar nuestro cometido, debemos tener unos mínimos conocimientos sobre montajes electrónicos, una cierta habilidad mecánica y disponer de herramientas sencillas como una sierra, un tornillo de banco, remachadora, soldador de alta potencia, taladradora, brocas ,etc..

Antes de comenzar nuestro diseño, hay que meterse bien en la cabeza que vamos a trabajar con tensiones de 2000 o más voltios, que son totalmente MORTALES. Por lo tanto hay que tener un cuidado extremo, trabajando dentro del amplificador solamente cuando esté desconectado de la red y ASEGURÁNDONOS de que descargamos los condensadores de la fuente de alta tensión por medio de un destornillador aislado. Digo asegurarse puesto que no basta con SUPONER que lo están. No tener esto en cuenta puede costarnos un serio disgusto e incluso la vida. Con esto no quiero asustar a nadie pero creo que es imprescindible advertirlo suficientemente.
También decir que, evidentemente no he inventado nada nuevo, sino simplemente adaptado un diseño excelente a los componentes disponibles en el mercado y adoptado ciertas soluciones que os pudiesen ser de utilidad. Sin más preámbulos vamos con la descripción del amplificador.
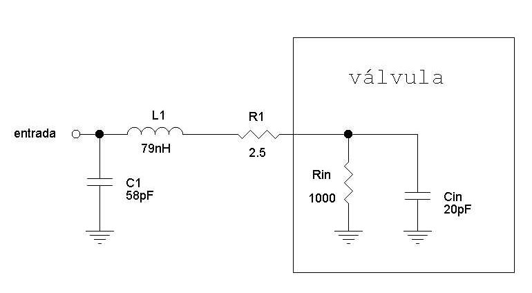
El circuito de rejilla.

Nuestro amplificador se desarrolla entorno a una válvula tetrodo 4CX250B ó R en configuración de cátodo a masa. El circuito de entrada de la lámpara se puede representar por una capacidad de unos 20 pF en paralelo con una resistencia de unos 1000R , tal y como se observa en la figura 1. Dicha resistencia es variable en función del voltaje de la rejilla de control y de la corriente de placa. Por esta razón, si tratamos de hacer una adaptación de bajas pérdidas dará lugar a que la impedancia de entrada del amplificador dependa de la potencia de excitación, lo que podría ocasionar distorsión en el excitador y por lo tanto "splatter".
En nuestro caso utilizamos una resistencia amortiguadora de 2.5R en la que se disipa parte de la potencia de excitación. La inductancia L1 y el condensador C1 forman un circuito de adaptación en PI en conjunción con la lámpara para proporcionar la adaptación a los 50R del excitador. Hay que reseñar, que L1 no es ningún componente del amplificador, sino que es la pequeña inductancia parásita de los rabillos del condensador C10 del esquema general.
La alimentación de la rejilla de hace a través de la bobina de choque L5, y desacoplada con el condensador pasamuros C9.
El circuito de ánodo y de salida.

Para adaptar la impedancia de salida de la lámpara a nuestra antena, y al mismo tiempo obtener un cierto filtrado, utilizaremos una línea coaxial constituida por un tubo de latón, encerrada dentro de una cavidad también de este mismo material. Esta disposición proporciona un rendimiento elevado, con muy bajas pérdidas . Usaremos una línea de 1/4 de onda en lugar de una de 1/2 onda, debido a que su tamaño resultaría excesivo. Como condensador de sintonía utilizaremos uno casero realizado a partir de un disco de latón y una varilla roscada como se describirá más adelante. La alta tensión se aplica a la lámpara a través de un choque y un condensador de desacoplo. La placa se aísla del tubo por medio de un condensador hecho de una fina lámina de teflón entre dos chapas cuadradas de latón.
El circuito de salida es muy simple, una línea de acoplo en serie con un condensador variable de aire realizan la adaptación. Este acoplo permite adaptar las diferentes impedancias de salida de la válvula entre ciertos límites, para permitir la operación en modo AB1, es decir , sin corriente de reja en SSB para buena linealidad, o en clase AB2 para CW o FM donde la linealidad no es importante y podemos alcanzar una mayor potencia de salida.
La rejilla pantalla se desacopla con C4 y C5 en combinación con el condensador de by-pass incluido en el zócalo de la lámpara. Por ello es MUY IMPORTANTE UTILIZAR LOS ZÓCALOS EIMAC DE LA SERIE 600. El uso de otro tipo de zócalos puede originar autooscilaciones y volver loco a más de uno, como a mí me sucedió. El amplificador sacaba potencia aún sin ser excitado, con un comportamiento errático y descontrolado. Fue cambiar el zócalo por uno original y !EUREKA! , se acabaron los disgustos.

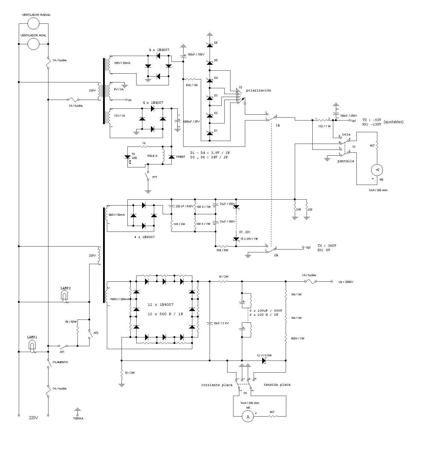
La fuente de alimentación
La fuente de alimentación es totalmente clásica, y no presenta ninguna dificultad. Nuestro amplificador requiere las siguientes tensiones:
- Placa : 2000 V, 400 mA.
- Pantalla : Tx: 360 V , 25 mA. , Rx: 0V
- Rejilla : Tx: -55 V, Rx :-130 V
- Filamento : 6.0 V , 2.6 A.

El transformador TR2 proporciona la las tensiones necesarias para la placa y la rejilla pantalla. La salida de 1600 V eficaces se rectifica por medio de un puente de diodos en configuración de onda completa. Cada rama del puente está formada por tres diodos de silicio en serie shuntados con resistencias para igualar las tensiones. Del filtrado se encargan 6 condensadores electrolíticos de 100 uF con sus correspondientes resistencias igualadoras, con lo que resulta una capacidad total de 16.6 u F. Con la fuente en vacío, la tensión se aproximará a la de pico del transformador, es decir 1600 x 1.4142= 2262 V. En cada condensador existirán 377V por lo que hay que escogerlos con un cierto margen de seguridad. La corriente de placa se mide indirectamente a través de la tensión que cae en la resistencia de 10R en el negativo de la fuente para mayor seguridad. La tensión de placa se lee con el mismo medidor , aprovechando el divisor de tensión formado por las resistencias 1MR , 1MR , 500KR , 4k7 y la resistencia interna del propio medidor. Dichas resistencias dependerán del medidor que encontremos, por lo que habrá que calcularlas en cada caso. No hay que olvidar colocar siempre varias resistencias en serie, pues poniendo una sola se cebaría el arco entre sus terminales. El conmutador S4 nos permite seleccionar entre tensión de placa y corriente de placa ahorrándonos un medidor, aunque al que le sobre el dinero y tenga espacio puede poner un par de medidores y monitorizar ambas medidas al mismo tiempo... El zener de 12 V se utiliza para limitar la tensión en los terminales del conmutador, cuando medimos la corriente de placa. Si no lo hiciésemos, al quedar en circuito abierto se aplicarían los 2000 V directamente , produciéndose una pequeña corriente de fuga que podría llegar a ser audible en el receptor. Usando dos medidores separados no sería necesario dicho zener.
En el primario del transformador, la resistencia de 47 R / 50 W sirve para limitar la corriente en los diodos durante la carga de los condensadores de filtro. Yo personalmente acciono AT2 manualmente, pero alguno quizás puede preferir algo más automático. Podemos rectificar la tensión de la red con un diodo y cargar un condensador en paralelo con un relé que nos haga la misma función automáticamente.
En serie con la salida colocaremos un fusible de 1A bien aislado del chasis por un trozo de teflón, protegiendo así la fuente en caso de que se cebe un arco. Evitar poner un fusible de cristal puesto que el arco hace reventar el cristal en mil pedazos.…como me ocurrió en una ocasión.
La alimentación de la pantalla de toma de un segundo secundario de 400 V. Se rectifica y filtra de la forma habitual y se estabiliza por medio de una cadena de diodos zener colocados en serie, entregando unos 360 V. En el caso de que al aumentar la temperatura de los zener la tensión suba mucho, podemos utilizar una toma intermedia en la cadena de zeners para conseguir la tensión deseada. La medición de la corriente de pantalla se hace como vimos anteriormente a través de una resistencia conectada al negativo. Por medio de un relé, en Rx se pone a masa la salida para llevar la válvula totalmente al corte y no interferir la recepción.
La fuente de reja es muy similar, salvo que en esta ocasión la medición de la corriente se efectúa por caída de tensión en una resistencia de 1K2 en serie con la salida. Con el conmutador S2 podemos seleccionar diferentes tensiones y regular el punto de funcionamiento de la lámpara. Otro de los contactos del relé se usa para proporcionar -130V a la reja en recepción y cortar la corriente de placa.
El filamento se alimenta directamente del secundario de 6V 3A . Un secundario de 12 V se rectifica para disponer de la tensión de control de relés y otros accesorios. No olvidemos proteger con fusibles adecuados los primarios de los transformadores y los ventiladores.
Construcción.
Como prácticamente es imposible encontrar ambos transformadores en el mercado, no nos quedará más remedio que encargarlos a una empresa que se dedique a estos menesteres con el consiguiente gran desembolso, o si tenemos ganas de perder dos o tres tardes dándole vueltas a una manivela, hacérnoslos nosotros mismos. Para ello simplemente tenemos que ir a una chatarrería y encontrar un transformador de desecho. Con paciencia y cuidado sacamos todas las chapas y eliminamos todo el cobre de sus devanados, quedándonos sólo con el carrete de plástico. Después, vamos a algún taller de bobinado de motores de confianza, y pedimos los rollos de hilo esmaltado que necesitemos. Ellos se encargan de pesar el rollo antes y después de usarlo para cobrarnos solamente la cantidad gastada. Como el tema del cálculo y construcción de los transformadores requeriría otro artículo mucho más extenso que el presente, os remito a que reviséis un artículo que apareció en esta misma revista redactado por el difunto EA4DY ,"el Marqués", hace ya algunos años. También en la revista de URE, el también fallecido EA5TX publicó un fenomenal artículo sobre este tema. Si estáis interesados en ello no tenéis más que escribirme un e-mail.
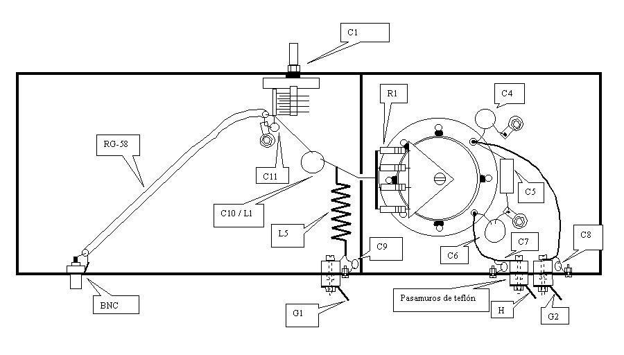
Vamos a describir detalladamente el amplificador en sí, dejando la caja externa para que cada uno la adapte a su caso particular. El compartimento de la lámpara de construye a base 9 chapas de latón de 1mm de espesor según las dimensiones siguientes:
- 2 chapas de 372 x 120 mm para los paneles frontal y posterior.
- 2 chapas de 120 x 110 mm para los paneles laterales.
- 1 chapa de 370 x 110 mm para el chasis.
- 1 chapa de 110 x 45 mm para la división intermedia.
- 1 chapa de 370 x 110 mm para la tapa superior.
- 1 chapa de 135 x 110 mm para una de las tapas inferiores.
- 1 chapa de 234 x 110 mm para la tapa inferior restante.

El trabajo de corte de la chapa de latón se hace muy bien con una sierra eléctrica de calar, aunque con más esfuerzo puede conseguirse a mano. Supongo que igualmente podría haberse hecho en aluminio en lugar de latón, aunque no lo he comprobado, resultaría más fácil de mecanizar, menos pesado y más económico. También el corte puede hacerse, aunque requiere cierta habilidad, por medio de una radial. Una vez terminadas las chapas, comprobaremos sus dimensiones correctas, ya que de ello dependerá que encajen a la perfección. Uniremos las chapas entre sí con perfil de latón de 10x10x2 (yo usé 15x15x2 porque no lo localicé) y remaches, cuidando que el espaciado entre remaches no sea superior a 40mm para asegurar un cierre hermético tanto a la RF como al aire de refrigeración. No olvidar hacer el agujero para el zócalo de la válvula antes de proceder al ensamblado de las chapas, luego se puede hacer, pero es más engorroso. Debemos dejar sin remachar las dos tapas inferiores y la tapa superior, que irán sujetas a los perfiles de latón por tornillos, para lo cual debemos roscar los perfiles con un macho de roscar. En mi caso usé tornillería de latón M3 x 5 mm. Si vemos que entre las uniones de las chapas han quedado unos cierres poco perfectos , por donde pudiese escapar el aire, podemos soldar con estaño para lograr una mayor estanqueidad. Como normalmente no disponemos de un soldador eléctrico de mucha potencia, podemos utilizar el butano de la cocina. Se pone a calentar todo el chasis del amplificador encima de una chapa de hierro de 3 mm de espesor. Cuando se alcance la temperatura de fusión del estaño se pone el fuego al mínimo y se comienza a soldar hasta que quedemos totalmente satisfechos. Después lo dejamos solidificar con cuidado para que no se nos mueva.

Siguiendo con el esquema del despiece, vamos ahora con la línea de placa. Cortamos el tubo de latón de 25 mm de diámetro a una longitud de 235 mm. Para soldarle el disco de 50 mm que lo conecta a masa, usaremos el procedimiento de la cocina, procurando una soldadura bien hecha. Igualmente tendremos que soldar una de las dos plaquitas de 40 mm que forman el condensador de aislamiento. Si tenemos problemas para sujetar las piezas durante la soldadura , podemos utilizar unos "sargentos", sobre todo durante el enfriado, que como hemos repetido ha de hacerse en reposo total. El dieléctrico de dicho condensador lo forma una laminilla de teflón de 0.25 mm de espesor. El "bocadillo" se aprieta con tornillos de latón aislados mediante arandelas de teflón cuya forma de describe en los planos. Para fabricar estos aisladores podéis encargarlos a un tornero, o bien podéis hacerlos de forma casera. Se introduce una barra de teflón de 10mm en el mandril de una taladradora, fijando ésta en un tornillo de banco para que no se mueva. Por medio de una broca afilada a modo de herramienta de corte, vais tallando el teflón como si fuese un torno de verdad. Hacer esto a pulso requiere mucha habilidad, pero si disponéis de un taladrador de columna, la tarea es mucho más fácil puesto que solo tendréis que accionar la palanca bajando la taladradora hasta entrar en contacto con la herramienta de corte fija por las mordazas.

La conexión con la placa de la lámpara la realicé con una tira de latón de 1 mm de espesor, 10mm de ancho y longitud suficiente para rodear todo el refrigerador del ánodo. La tira se aprieta fuertemente a la lámpara con una simple tuerca y tornillo M3. Es muy importante que la tornillería de la línea de placa se construya de latón, y no de acero, pues puede calentarse mucho al estar inmerso en un fuerte campo magnético.
El condensador de sintonía se fabrica con un disco de latón de 1 ó 2 mm de espesor, 45 mm de diámetro, soldado a una varilla roscada M6 también de latón. Dicho eje, gira en el interior de un tornillo de latón M10 fijado al frontal del chasis con su tuerca. Evidentemente, el tornillo M10 necesita ser roscado en su interior con una rosca M6 , para que se acople con el eje del condensador. Al final de este eje podremos acoplar nuestro mando de sintonía de placa. Conviene poner en el eje un par de tuercas que hagan de tope y no permitan acercarse al disco demasiado, para evitar que se cebe un arco. No olvidemos que el disco que está soldado a la abrazadera de la placa está a 2000 V respecto al chasis. No acercarse a menos de 3 mm, el punto de resonancia estará a una distancia mayor si hemos respetado todas las dimensiones.

La entrada de alta tensión al compartimento superior se hace a través de un condensador pasamuros de 1nF con aislamiento de 3 KV. Como es un componente difícil de encontrar, vamos a sustituirlo por un pasamuros de teflón . Esta solución me la indicó EA2LU dando un fenomenal resultado. Construiremos el pasamuros de teflón por el procedimiento del taladrador y la herramienta de corte que explicamos antes, según la figura3. Las dimensiones no son críticas pudiendo partir de una barra de 10 mm de diámetro. Pasaremos un tornillo de latón M3 por dentro del pasamuros y lo apretaremos fuerte al chasis. En los extremos del tornillo pondremos unos terminales, donde soldaremos el cable que trae la alta tensión por el lado de fuera y un condensador de disco de 1nF/3KV por el lado interior. El otro rabillo del condensador lo soldamos a un terminal atornillado al chasis, todo ello con conexiones muy cortas. Este mismo procedimiento lo he utilizado para los condensadores pasamuros C7, C8 y C9.
La parte de la entrada del amplificador no tiene nada de particular, salvo la realización de una pieza de forma triangular para la sujeción de las 4 resistencias que forman R1. Las patillas del cátodo se sueldan directamente a la base del zócalo. La entrada de RF se hace por medio de un conector BNC hembra para chasis. Llevaremos la RF con un trozo de cable RG-58 hasta el mismo condensador variable C1, dando masa al coaxial en ese punto por medio de un terminal atornillado al chasis.
El cableado de alta tensión se hace de forma segura usando el vivo de un cable RG-58. Se pela el aislamiento exterior unos 20 mm , replegando hacia atrás la malla y cubriéndolo con funda termoretráctil.
Refrigeración
La vida de la lámpara y el funcionamiento estable del amplificador dependen de una correcta refrigeración. El fabricante de la lámpara nos indica de deben pasar por el refrigerador de la placa 6.4 pies cúbicos por minuto con una retropresión de 0.59 pulgadas de columna de agua. Como existe una caída de presión en el zócalo, chimenea y rejilla de entrada , elevamos ese valor hasta una pulgada para mayor seguridad. En nuestras medidas serían 181 litros por minuto a 25mm de columna de agua. Hay que escoger un ventilador que a esa presión supere el valor requerido del caudal, siempre es mejor pasarse que quedarse corto. Para verificar que la refrigeración es correcta podemos improvisar un manómetro conectado al compartimento de rejilla y medir la columna de agua que resulta. El ventilador radial expulsa el aire a presión hacia el compartimento de rejilla a través de unos agujeros realizados en la chapa de latón. El aire pasa por el zócalo refrigerando el sellado de la válvula, es conducido por la chimenea hasta las aletas de refrigeración del ánodo y sale al exterior por los orificios de la tapa superior, aspirado por un ventilador axial. El ventilador radial no es en absoluto silencioso, pero debemos convivir con este inconveniente pensando que la válvula lo agradecerá a largo plazo.
Puesta en marcha y ajuste.
Antes de enchufar el amplificador, repasar una y otra vez todo el conexionado para cerciorarse de que todo está correcto. Verificar el funcionamiento de la fuente de alimentación, sin conectarla al amplificador. Debemos obtener :
- Alta tensión : 2300 V
- Pantalla TX :360V
- Pantalla RX : 0V
- Rejilla TX : -55 V
- Rejilla RX :-130 V
Conectar todo el cableado excepto la alta tensión. Con la válvula retirada del zócalo verificar con cuidado las tensiones de pantalla y reja. Pulsar el PTT y verificar que dichas tensiones siguen los valores de la tabla anterior.
Conectar la alta tensión, todavía sin válvula. Si todo va bien, y no ha habido ninguna explosión podremos apagar la fuente y DESCARGAR LOS ELECTROLITICOS.
Colocar la válvula en su zócalo y apretar la abrazadera de placa. Conectar el ventilador junto con la alimentación de filamento. Dejar calentar la lámpara unos minutos y verificar que el aire sale ligeramente templado. Medir la tensión de filamento justo a la entrada del amplificador y comprobar que hay 6.0 V con un error máximo del 5%. Si la tensión es excesiva podemos intercalar una resistencia de alta disipación, o desarmar el transformador y jugar con el número de espiras. NO CONECTAR LA TENSION DE FILAMENTO SIN TENER EN MARCHA EL VENTILADOR.
Conectaremos la salida del amplificador a un vatímetro que nos mida hasta 1 KW y una carga artificial o en su defecto una antena bien ajustada. En la entrada conectamos nuestro equipo excitador a través de un medidor de ROE . Es importante que la potencia de salida de nuestro equipo sea variable de forma continua.
Poner en marcha el ventilador y conectar TR2, dejando calentar durante un par de minutos. Prepararnos psicológicamente para cualquier fogonazo y conectar la alta tensión y la pantalla accionando TR1 . En el caso de que se produzca un estampido desconectar la fuente, descargar los electrolíticos e investigar la posible causa del arco. Puede haber ocurrido que el pasamuros de placa no estuviese preparado para los 2000 V, o que tengamos un conductor que no esté suficiente separado del chasis. También puede suceder, si la lámpara es de ocasión, que tenga contaminación por gases provocando el arco entre placa y pantalla, por lo que no estaría de más verificar los condensadores de desacoplo de pantalla y el incorporado en el zócalo para asegurarnos de que no han sufrido daños. Revisar la fuente de alimentación, pues es probable que haya algún destrozo en alguna de las resistencias de 10 R o en los diodos del rectificador. Una vez todo esté en orden, poner a calentar de nuevo y conectar alta tensión y pantalla. Si todo va bien, el medidor de corriente de placa no debe indicar corriente y el medidor de tensión de placa marcará unos 2300 V más o menos. Pulsar el PTT del amplificador y con ayuda de S2 ajustar la corriente de reposo a 80-100mA, observar el vatímetro, que no debe indicar ninguna potencia. Pulsar el PTT del equipo excitador, incrementar la excitación hasta que la corriente de placa comience a subir un poco. Ajustar alternativamente C2 y Cs para la máxima potencia de salida y C1 para mínima ROE a la entrada. Incrementar la excitación reajustando C2 y Cs hasta obtener una corriente de unos 300 mA, la potencia de salida debería indicar unos 350-400 W con 4 ó 5 W de entrada. En estas condiciones estamos trabajando en clase AB1, la corriente de rejilla debe ser 0mA, y la de pantalla de unos 5mA. Esta clase de funcionamiento es adecuada para SSB, obteniéndose buena linealidad. Si aumentamos la excitación con cuidado hasta 7 u 8 W, la corriente de rejilla sube a unos 5 mA y la de pantalla a 20 mA, trabajando en clase AB2, útil para CW y FM obteniendo unos 500 W de salida. Si sacamos ligeramente de sintonía el amplificador moviendo C2, la corriente de placa aumentará en un 10 %. Si es mucho mayor, el acoplamiento de salida es demasiado débil, deberemos acercarlo al tubo de latón. En caso contrario se hará lo contrario. En la posición correcta, el mínimo de placa coincidirá con la máxima potencia de salida.
Ahora alinearemos el circuito de entrada. Aplicando excitación a máxima salida y moviendo C1, deberemos poder conseguir una ROE de 1.2:1. Si no lo logramos tendremos que experimentar con la longitud de los rabillos de C10, lo que nos puede llevar un buen rato. Aunque sea una tarea aburrida, merece la pena lograr una buena adaptación, para aprovechar al máximo la potencia disponible en el excitador y obtener unas buenas características de intermodulación.
El funcionamiento del amplificador es excelente, habiéndolo sometido a largas jornadas de trabajo en EME desde la salida hasta la puesta de la luna, sin ningún problema. Simplemente un día me falló el condensador de arranque del motor del ventilador, lo que tuvo fácil solución sustituyéndolo por uno nuevo gracias a José María, EA3DXU que me asesoró en el tema. Espero haber despertado en vosotros las ganas de construir uno igual y que os ofrezca tantas satisfacciones como a mí me está dando.
COMPONENTES MÁS ESPECIALES.
V1: 4CX250B Ó R.
C1,Cs : Variable de aire 50 pF.
C2,Ct : Ver texto.
C3 : Pasamuros de rosca 1nF/3KV, si no se encuentra ver texto y dibujos.
C4 : 10 nF / 500V cerámico.
C5 : Cerámico 470 nF / 500V.
C6 : 47nF / 30V.
C7,C8,C9 : Pasamuros de rosca 4n7 / 500 V , si no se encuentra sustituir según texto y dibujos.
C10 : 2n2 / 500V cerámico.
C11 : 27pF.
R1 : 4 resistencias de 10R / 1W en paralelo, soldadas a plaquita de latón según dibujos.
M2,M3 : Amperímetros de 1mA / 300R . Si no se encuentran hay que recalcular resistencias. Si
tienes dudas déjame un mail.
L2,L3 : Ver texto y dibujos.
L4 : 9 vueltas de hilo esmaltado de 1.5mm diá, 25mm diá interior, 35mm de longitud.
L5 : 15 vueltas de hilo esmaltado de 1.5mm diá, 15mm diá interior, 40mm de longitud.
Ventilador axial, 220 voltios.
Ventilador radial adecuado a las necesidades de refrigeración, ver texto.
Rel, A : 12 V, 2 circuitos.
LAMP1,2 : Lamparitas de neón con resistencia incorporada.
TR2 : Transformador primario : 220V, secundarios:
* 400 V 50 mA
* 1600V 300mA
TR1 : Transformador primario : 220V, secundarios :
* 12 V 1 A
* 6 V 3 A
* 100V 20 mA