ACOPLADOR T-MATCH QRP
Introducción
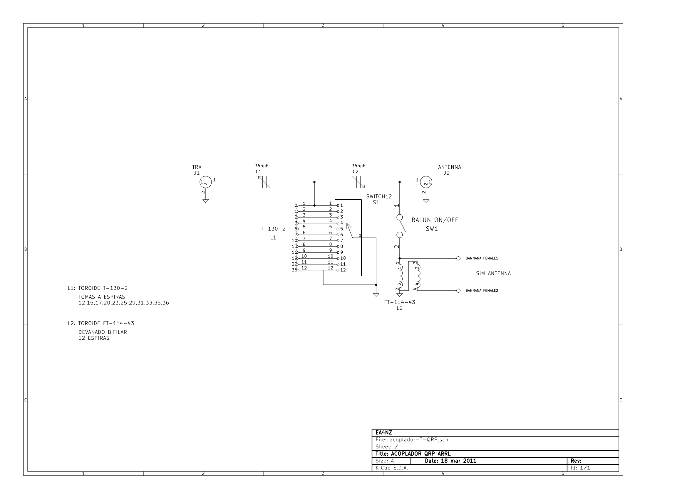
En este apartado se describe la construcción de un acoplador T-match para QRP. Se ha probado con potencias de hasta 100W sin observar arcos en la mayoría de los casos. Solamente se ha observado dicho fenómeno en algunas bandas al adaptar antenas de impedancia difícil para el acoplador, a partir de 50 W. Se ha partido del diseño del ARRL HANDBOOK 2008 al cual se le ha cambiado el toroide del balun por uno mayor. El acoplador permite adaptar antenas simétricas y asimétricas.

Descripción
El esquema es tan sencillo que no requiere ninguna explicación. Debería ser suficiente la interpretación del esquema para su realización sin problemas.
Esquema

Fotografías









{width=“50%” height=“50%”
border=“0”